Warmwasser WP mit OpenWB
Re: Warmwasser WP mit OpenWB
Moin,
also sieht das ganze letztendlich so aus.? Moin,
WP da und wird kommende Woche angeschlossen. Das mit den Shellys hab ich nun schon mal so realisiert und funktioniert auch.
Ich hätte gerne den PM noch mit einem Schalter versehen, damit das ganze auch “unsmart” funktioniert.
(z.B. außerhalb des eingestellten Zeitplan die WP betreiben)
Wie müsste ich da beim Shelly den Schalter einbinden?
Vielen Dank und noch einen schönen Ostermontag
also sieht das ganze letztendlich so aus.? Moin,
WP da und wird kommende Woche angeschlossen. Das mit den Shellys hab ich nun schon mal so realisiert und funktioniert auch.
Ich hätte gerne den PM noch mit einem Schalter versehen, damit das ganze auch “unsmart” funktioniert.
(z.B. außerhalb des eingestellten Zeitplan die WP betreiben)
Wie müsste ich da beim Shelly den Schalter einbinden?
Vielen Dank und noch einen schönen Ostermontag
Golf GTE 06/18 bis 09/22
e-Up seit 04/20
Golf 8 ehybrid 10/22 bis 11/23
ID.3 seit 06/24
go-eCharger seit 06/18 (nur noch redundanz)
LP1 openWB series2 standart+ seit 02/21
LP2 openWB custom seit 11/21
10 KWp PV SolarEdge
Stiebel WWK 301 electronic SOL
e-Up seit 04/20
Golf 8 ehybrid 10/22 bis 11/23
ID.3 seit 06/24
go-eCharger seit 06/18 (nur noch redundanz)
LP1 openWB series2 standart+ seit 02/21
LP2 openWB custom seit 11/21
10 KWp PV SolarEdge
Stiebel WWK 301 electronic SOL
-
Gero
- Beiträge: 5067
- Registriert: Sa Feb 20, 2021 9:55 am
- Has thanked: 66 times
- Been thanked: 357 times
Re: Warmwasser WP mit OpenWB
Der Shelly hat einen Eingang „SW“. Mit dem kann man manuelö schalten. Aber: wenn die openWB mitbekommt, dass der Schaltzustand nicht stimmt, wird er korrigiert. Also das Device auf „Manuell“ stellen nicht vergessen. Dann kannst du ihm aber auch gleich auf der openWB-Oberfläche in den gewünschten Zustand bringen.
openWB-pro+, openWB-Buchse, E3/DC S10pro+39kWh, 30kWp Ost-Süd, Model 3 und Ion
Re: Warmwasser WP mit OpenWB
Vielen Dank erstmal für die schnelle Antwort.
Mir geht es hauptsächlich darum wenn es mal mit dem smart nicht funktioniert daß die Familie die WP,auch zum laufen bekommt.
Hab nun eine andere Umsetzung im Kopf. B wird mittels Schukostecker an Steckdose angeschlossen (Dauerstrom für Anode und Elektronik)
A wird mittels Schukostecker an Shelly plug S an einer anderen Steckdose angeschlossen.
Sollte Smart nicht funktionieren kann Shelly Plug S einfach aus der Steckdose genommen werden und der Stecker direkt
eingesteckt werden.
Müsste doch auch funktionieren, oder hab ich einen Denkfehler.
Vielen Dank
Mir geht es hauptsächlich darum wenn es mal mit dem smart nicht funktioniert daß die Familie die WP,auch zum laufen bekommt.
Hab nun eine andere Umsetzung im Kopf. B wird mittels Schukostecker an Steckdose angeschlossen (Dauerstrom für Anode und Elektronik)
A wird mittels Schukostecker an Shelly plug S an einer anderen Steckdose angeschlossen.
Sollte Smart nicht funktionieren kann Shelly Plug S einfach aus der Steckdose genommen werden und der Stecker direkt
eingesteckt werden.
Müsste doch auch funktionieren, oder hab ich einen Denkfehler.
Vielen Dank
Golf GTE 06/18 bis 09/22
e-Up seit 04/20
Golf 8 ehybrid 10/22 bis 11/23
ID.3 seit 06/24
go-eCharger seit 06/18 (nur noch redundanz)
LP1 openWB series2 standart+ seit 02/21
LP2 openWB custom seit 11/21
10 KWp PV SolarEdge
Stiebel WWK 301 electronic SOL
e-Up seit 04/20
Golf 8 ehybrid 10/22 bis 11/23
ID.3 seit 06/24
go-eCharger seit 06/18 (nur noch redundanz)
LP1 openWB series2 standart+ seit 02/21
LP2 openWB custom seit 11/21
10 KWp PV SolarEdge
Stiebel WWK 301 electronic SOL
Re: Warmwasser WP mit OpenWB
Geb ich die Antwort selbst 
Funktioniert
Funktioniert
Golf GTE 06/18 bis 09/22
e-Up seit 04/20
Golf 8 ehybrid 10/22 bis 11/23
ID.3 seit 06/24
go-eCharger seit 06/18 (nur noch redundanz)
LP1 openWB series2 standart+ seit 02/21
LP2 openWB custom seit 11/21
10 KWp PV SolarEdge
Stiebel WWK 301 electronic SOL
e-Up seit 04/20
Golf 8 ehybrid 10/22 bis 11/23
ID.3 seit 06/24
go-eCharger seit 06/18 (nur noch redundanz)
LP1 openWB series2 standart+ seit 02/21
LP2 openWB custom seit 11/21
10 KWp PV SolarEdge
Stiebel WWK 301 electronic SOL
-
Der Pferdeflüsterer
- Beiträge: 6
- Registriert: Mi Aug 10, 2022 8:03 am
Re: Warmwasser WP mit OpenWB
Moin,
ich habe letzte Woche eine WWK 300 bekommen und möchte nun auch die WP mittels PV Überschuss nutzen.
Für mich reicht es, wenn über ein Signal die Solltemperatur 2 gestartet wird.
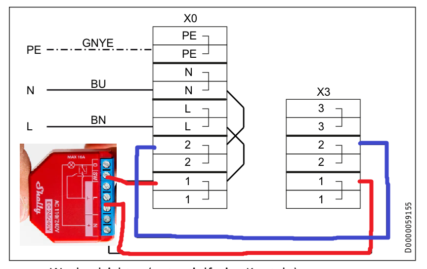
Entsprechend die Lösung mit dem Relais wie in diesem Schaubild gezeigt

D.h. die standardverkabelung bleibt und die WP könnte auch von sich aus starten und zusätzlich das Startsignal über das Relais, korrekt?
Liege ich mit meiner Verkabelung richtig? Shell Plus 1 PM ist die richtige Shelly für diesen Einsatz?
ich habe letzte Woche eine WWK 300 bekommen und möchte nun auch die WP mittels PV Überschuss nutzen.
Für mich reicht es, wenn über ein Signal die Solltemperatur 2 gestartet wird.
Entsprechend die Lösung mit dem Relais wie in diesem Schaubild gezeigt
D.h. die standardverkabelung bleibt und die WP könnte auch von sich aus starten und zusätzlich das Startsignal über das Relais, korrekt?
Liege ich mit meiner Verkabelung richtig? Shell Plus 1 PM ist die richtige Shelly für diesen Einsatz?
-
derNeueDet
- Beiträge: 4559
- Registriert: Mi Nov 11, 2020 7:16 pm
- Has thanked: 12 times
- Been thanked: 50 times
Re: Warmwasser WP mit OpenWB
Shelly mit PM egal ob mit oder ohne Plus hat keinen potentialfreien Kontakt. Du musst einen Shelly 1 (plus) ohne PM nehmen! Sonst geht das nicht.
VG
Det
VG
Det
Zuletzt geändert von derNeueDet am Do Aug 31, 2023 6:04 pm, insgesamt 1-mal geändert.
10kWp PV mit SMA Tripower 10000TL-10 (PE11 mit SDM72V2); 2,4kWp mit Solis 2.5 G6 (EE11 mit SDM120). OpenWB Standard+. EVU EM540 an einem Raspi mit Venus OS. BEV Mercedes EQA 250+ (07/2025)
-
Der Pferdeflüsterer
- Beiträge: 6
- Registriert: Mi Aug 10, 2022 8:03 am
Re: Warmwasser WP mit OpenWB
Alle klar, danke!derNeueDet hat geschrieben: Do Aug 31, 2023 5:27 pm Shelly mit PM egal ob mit oder ohne Plus hat keinen optentualfreien Kontakt. Du musst einen Shelly 1 (plus) ohne PM nehmen! Sonst geht das nicht.
VG
Det
-
Der Pferdeflüsterer
- Beiträge: 6
- Registriert: Mi Aug 10, 2022 8:03 am
-
derNeueDet
- Beiträge: 4559
- Registriert: Mi Nov 11, 2020 7:16 pm
- Has thanked: 12 times
- Been thanked: 50 times
Re: Warmwasser WP mit OpenWB
https://www.shelly.com/de/products/shop ... lus-1-mini
Gibt jetzt auch eine Mini Serie von Shelly. Würde bei dir auch funktionieren
VG
Det
Gibt jetzt auch eine Mini Serie von Shelly. Würde bei dir auch funktionieren
VG
Det
10kWp PV mit SMA Tripower 10000TL-10 (PE11 mit SDM72V2); 2,4kWp mit Solis 2.5 G6 (EE11 mit SDM120). OpenWB Standard+. EVU EM540 an einem Raspi mit Venus OS. BEV Mercedes EQA 250+ (07/2025)
-
Der Pferdeflüsterer
- Beiträge: 6
- Registriert: Mi Aug 10, 2022 8:03 am
Re: Warmwasser WP mit OpenWB
Habe ich nun doch mit einer smarten Steckdose umgesetzt und schaltung via Home Assistant.
Klappt wunderbar.
Klappt wunderbar.