NodeRed ist auf jeden Fall einen Blick wert (geht einfach zu installieren). Aus dem NR-flow sollten sich die Topics samt EInstellungen erkennen lassen.Andi hat geschrieben: So Jan 15, 2023 1:43 pm Mit NodeRed hab ich noch nie gearbeitet (und würde es wenn es irgendwie geht auch vermeiden), daher würde ich gerne die Daten einfach per Modbus oder MQTT an den Victron senden, aber ich finde im Moment nirgendwo auf welche MQTT Topics oder Modbus Register ich schreiben müsste, Umrechnungen von Formaten etc. kann ich auch über eigene Logiken realisieren.
Sich den EM24 sparen! Virtuelles EM24 LAN mit EVU-Kit
-
aiole
- Beiträge: 8931
- Registriert: Mo Okt 08, 2018 4:51 pm
- Has thanked: 226 times
- Been thanked: 247 times
Re: Sich den EM24 sparen! Virtuelles EM24 LAN mit EVU-Kit
Re: Sich den EM24 sparen! Virtuelles EM24 LAN mit EVU-Kit
schau mal paar Seiten zurück, dort habe ich meine Impementierung genau dokumentiert mit flow.
P.S. Node-Red braucht man nicht installieren, sondern nur mit 1 Klick aktivieren (in der Remote Konsole vom VenusOS)
P.S. Node-Red braucht man nicht installieren, sondern nur mit 1 Klick aktivieren (in der Remote Konsole vom VenusOS)
openWB series2 Buchse (2021)
go-eCharger HOME+ 22 kW (2022)
go-eCharger HOME+ 22 kW (2022)
-
Andi
- Beiträge: 462
- Registriert: So Jun 21, 2020 8:48 am
- Has thanked: 17 times
- Been thanked: 16 times
Re: Sich den EM24 sparen! Virtuelles EM24 LAN mit EVU-Kit
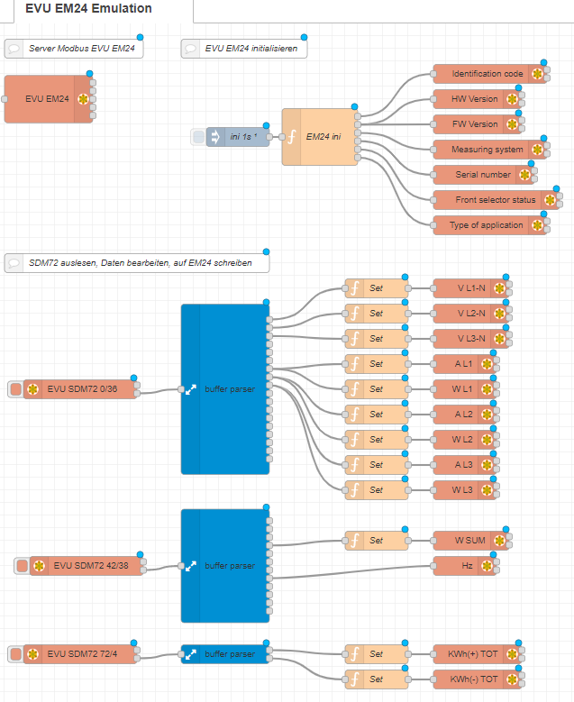
Hi, vielen Dank für den Hinweis, irgendwie ist mir dein post entgangen...Becker hat geschrieben: Sa Dez 10, 2022 10:31 am hab das Ding mal wieder angeworfen für dich, so sieht es aus:
231.PNG
gelb ist die Initialisierung, grün sind die live Werte.
Hab NR nun im large image aktiviert und versuche die ersten Schritte damit.
Der init Teil funktioniert (siehe oben gelber Teil), aber Werte werden noch keine angezeigt. Aber immerhin tauchen schon mal zwei neue Zähler im venusOS auf!
Kannst du mir einen Screenshot mit aufgeklapptem grünem Teil des MQTT Explorer Teil schicken? Vermutlich hängt es an irgendeinem falschem Format?! Muss man immer alle 15(?) Werte schicken oder reicht z.B. auch der Gesamtwert saldierte Leistung und Zählerstand?
Re: Sich den EM24 sparen! Virtuelles EM24 LAN mit EVU-Kit
Vermutlich reicht auch nur die gesamt Leistung aus.
vielleicht als string gesendet? statt "analysiertes parsed json objekt"
openWB series2 Buchse (2021)
go-eCharger HOME+ 22 kW (2022)
go-eCharger HOME+ 22 kW (2022)
-
Andi
- Beiträge: 462
- Registriert: So Jun 21, 2020 8:48 am
- Has thanked: 17 times
- Been thanked: 16 times
Re: Sich den EM24 sparen! Virtuelles EM24 LAN mit EVU-Kit
hat mir keine Ruhe gelassen und ich habe es eben nochmal probiert: es funktioniert nun auch mit meinem Smarthomeserver ohne NodeRed!
Es lag tatsächlich an einem einzigen Buchstaben: Ich hatte AC groß geschrieben, das topic muss aber Ac mit kleinem c geschrieben werden...
Und es funktioniert auch mit nur einzelnen Werten!
Es lag tatsächlich an einem einzigen Buchstaben: Ich hatte AC groß geschrieben, das topic muss aber Ac mit kleinem c geschrieben werden...
Und es funktioniert auch mit nur einzelnen Werten!
-
Andi
- Beiträge: 462
- Registriert: So Jun 21, 2020 8:48 am
- Has thanked: 17 times
- Been thanked: 16 times
Re: Sich den EM24 sparen! Virtuelles EM24 LAN mit EVU-Kit
und es funktioniert auch alles im Demomodus ohne irgendeine HW! (für alle die das auch aufsetzen / probieren wollen bevor Sie HW kaufen)
Re: Sich den EM24 sparen! Virtuelles EM24 LAN mit EVU-Kit
Ja das hat mich auch so schwer begeistert, dass ich einen MP2 5000 und 18 Zellen 280Ah gekauft habe usw.
openWB series2 Buchse (2021)
go-eCharger HOME+ 22 kW (2022)
go-eCharger HOME+ 22 kW (2022)
Re: Sich den EM24 sparen! Virtuelles EM24 LAN mit EVU-Kit
Hallihallo zusammen,
ich verfolge diesen Thread seit einiger Zeit sehr gespannt und habe mich mittlerweile mal selber dran gemacht das auszuprobieren. Leider bin ich hoffnungslos überfordert mit diesem NodeRed und MQTT Thema. Obwohl ich mich schon einige viele Stunden mit dem Thema auseinander gesetzt habe , sind das weiterhin absolut bömische Dörfer für mich, weshalb ich so langsam mal um euren Expertenrat für Einsteiger bitten wollte.
Zu meinen Ausgangsparametern:
- openWB 2 Standard mit EVU-Kit V2 (SDM72DM an Protoss PE11)
- 5*400W Solarmodule mit Hoymiles Microwechselrichtern, aktuell über ein Shelly in der openWB angebunden, openDTU ist aber auch vorhanden, bislang aber joblos außer zum monitoren der einzelnen WR
- Raspberry 3 mit VenusOS large V2.92 und aktiviertem Notered zum ausprobieren läuft, aber jetzt weiß ich nicht so richtig weiter
geplant:
- 1x Victron Multiplus II 24/3000/70-35 an 24V Lifepo EVE 280Ah DIY Speicher mittels StewardPittaway BMS
Aktuelles Problem:
- in NodeRed das EVU Kit erfolgreich als EM24 faken/emulieren damit ich mir den EM24 eben sparen kann..., alternativ auch gerne andere Wege. Nur „muss/sollte“ das für mich alles mit reinem „Anwenderwissen“ darstellbar sein.
Den Flow aus dem ersten Beitrag hab ich bei mir ins NodeRed importiert, siehe Anlage. Und jetzt weiß ich nicht wo ich was wie einrichten kann und muss damit das alles funktioniert wie beschrieben und wäre daher echt ultra dankbar wenn mir hierzu jemand mal auf die Sprünge helfen könnte. Den PE11 Server aus dem Flow habe ich auf die ip-Adresse verändert die der PE11 bei mir im Netzwerk hat. Die Funktionsfläche "EVU EM24" (im Screenshot oben links) hat im Importzustand die default ip 0.0.0.0. Frage an der Stelle: was sollte da hinterlegt sein im Idealfall?
Als grundsätzliches Problem habe ich aber derzeit aber primär auch, dass ich einen importierten Flow in NodeRed nicht wirklich speichern kann. Wenn ich die Seite in NodeRed im Browser neu lade, oder den Raspberry neu starte, ist der importierte Flow, immer wieder weg!? Was muss ich dazu machen, damit das NoteRed über VenusOS das nicht ständig wieder vergisst? Gleichzeitig hab ich das Gefühl der Flow ist noch nicht "in use" nachdem ich ihn importiert habe, sondern lediglich sich lediglich in einer Arbeitsumgebung befindet.
In Summe funktioniert das leider so noch nicht bei mir, ich will den Kopf aber auch noch nicht in den Sand stecken
ich verfolge diesen Thread seit einiger Zeit sehr gespannt und habe mich mittlerweile mal selber dran gemacht das auszuprobieren. Leider bin ich hoffnungslos überfordert mit diesem NodeRed und MQTT Thema. Obwohl ich mich schon einige viele Stunden mit dem Thema auseinander gesetzt habe , sind das weiterhin absolut bömische Dörfer für mich, weshalb ich so langsam mal um euren Expertenrat für Einsteiger bitten wollte.
Zu meinen Ausgangsparametern:
- openWB 2 Standard mit EVU-Kit V2 (SDM72DM an Protoss PE11)
- 5*400W Solarmodule mit Hoymiles Microwechselrichtern, aktuell über ein Shelly in der openWB angebunden, openDTU ist aber auch vorhanden, bislang aber joblos außer zum monitoren der einzelnen WR
- Raspberry 3 mit VenusOS large V2.92 und aktiviertem Notered zum ausprobieren läuft, aber jetzt weiß ich nicht so richtig weiter
geplant:
- 1x Victron Multiplus II 24/3000/70-35 an 24V Lifepo EVE 280Ah DIY Speicher mittels StewardPittaway BMS
Aktuelles Problem:
- in NodeRed das EVU Kit erfolgreich als EM24 faken/emulieren damit ich mir den EM24 eben sparen kann..., alternativ auch gerne andere Wege. Nur „muss/sollte“ das für mich alles mit reinem „Anwenderwissen“ darstellbar sein.
Den Flow aus dem ersten Beitrag hab ich bei mir ins NodeRed importiert, siehe Anlage. Und jetzt weiß ich nicht wo ich was wie einrichten kann und muss damit das alles funktioniert wie beschrieben und wäre daher echt ultra dankbar wenn mir hierzu jemand mal auf die Sprünge helfen könnte. Den PE11 Server aus dem Flow habe ich auf die ip-Adresse verändert die der PE11 bei mir im Netzwerk hat. Die Funktionsfläche "EVU EM24" (im Screenshot oben links) hat im Importzustand die default ip 0.0.0.0. Frage an der Stelle: was sollte da hinterlegt sein im Idealfall?
Als grundsätzliches Problem habe ich aber derzeit aber primär auch, dass ich einen importierten Flow in NodeRed nicht wirklich speichern kann. Wenn ich die Seite in NodeRed im Browser neu lade, oder den Raspberry neu starte, ist der importierte Flow, immer wieder weg!? Was muss ich dazu machen, damit das NoteRed über VenusOS das nicht ständig wieder vergisst? Gleichzeitig hab ich das Gefühl der Flow ist noch nicht "in use" nachdem ich ihn importiert habe, sondern lediglich sich lediglich in einer Arbeitsumgebung befindet.
In Summe funktioniert das leider so noch nicht bei mir, ich will den Kopf aber auch noch nicht in den Sand stecken
Re: Sich den EM24 sparen! Virtuelles EM24 LAN mit EVU-Kit
wenn man den Wald vor lauter Bäumen nicht mehr sieht...
Welch wundersame Kraft dieser rote Button oben rechts in NodeRed doch hat mit dem Titel "Übernahme"
Wenn ich den Flow jetzt auf einer externen NodeRed Instanz laufen lasse (z.B. probeweise auf dem Windows Rechner), dann wird mir der EM24 korrekt im VenusOS auf dem Pi angezeigt. Es scheint in dieser Konstellation alles zu funktionieren wie es soll.
ABER: wenn ich jetzt den identischen Flow jetzt über NodeRed auf dem Pi mittels Integration in VenusOS laufen lasse, funktioniert das wiederum nicht mehr. Ich bekomme immer unter Modbus TCP Geräte eine Reihe an Fehlermeldungen, siehe Screenshot. Die Frage der Fragen ist jetzt, was muss ich an der Instanz auf dem Pi verändern, damit das auch so reibungslos läuft wie im externen NodeRed Falle?
Welch wundersame Kraft dieser rote Button oben rechts in NodeRed doch hat mit dem Titel "Übernahme"
Wenn ich den Flow jetzt auf einer externen NodeRed Instanz laufen lasse (z.B. probeweise auf dem Windows Rechner), dann wird mir der EM24 korrekt im VenusOS auf dem Pi angezeigt. Es scheint in dieser Konstellation alles zu funktionieren wie es soll.
ABER: wenn ich jetzt den identischen Flow jetzt über NodeRed auf dem Pi mittels Integration in VenusOS laufen lasse, funktioniert das wiederum nicht mehr. Ich bekomme immer unter Modbus TCP Geräte eine Reihe an Fehlermeldungen, siehe Screenshot. Die Frage der Fragen ist jetzt, was muss ich an der Instanz auf dem Pi verändern, damit das auch so reibungslos läuft wie im externen NodeRed Falle?