Mitsubishi Klima als Luft-Wasser-WP
-
aiole
- Beiträge: 8744
- Registriert: Mo Okt 08, 2018 4:51 pm
- Has thanked: 181 times
- Been thanked: 207 times
Mitsubishi Klima als Luft-Wasser-WP
### Vorbemerkungen ###
So, da will ich mal. Zunächst ein Hinweis zum Abkürzungsverzeichnis, welches am Ende des Posts zu finden ist und wie der Post/Thread ständig erweitert wird.
Ihr könnt im thread munter darauf losschreiben, sofern es fachlich und konstruktiv zum Thema passt.
updates:
19.09.2022: Hydraulikschema ergänzt
11.09.2022: Bilder AG ergänzt
Die wichtigsten Dinge des Projektes werden immer hier im ersten Post zusammengefasst.
Da ich schon einige solcher "speziellen" Projekte, welche für viele Leute "böhmische Dörfer" sind, realisiert habe, kann ich aus Erfahrung sagen, dass eine Realisierung mit abschnittsweiser, stressfreier Bearbeitung und gemeinsam mit Interessierten gut möglich ist. Alle Beteiligten werden gegenseitig von Ideen und Erfahrungen profitieren, welche heute mehr denn je von Vorteil sind (Energiekrise).
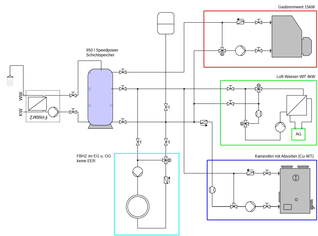
Ziel dieses Projektes ist die Nutzung eines kleinen Mitsubishi Electric Klima-Außengerätes (PUHZ RP35 mit 2,2kg R410A-KM < 5to CO2-Äquivalent) als heizungs- und WW-unterstützender Wärmeerzeuger. Wir bauen daraus eine Luft-Wassser-Wärmepumpe.
Hinweis: Mitsubishi Electric (MEL) ist nicht mit Mitsubihi-Heavy zu verwechseln. Dies resultiert wohl aus einer Konzernzerschlagung nach dem 2. WK. Die Geräte sind im Normalfall inkompatibel !!!
Primär ist noch eine Gasbrennwerttherme vorhanden, welche zukünftig von März bis Oktober abgeschalten werden soll. Auch in den Wintermonaten soll diese nur noch an sehr kalten Tagen für die Spitzenlastabdeckung laufen.
Des Weiteren läuft noch ein Wodtke-Ego-Kaminofen mit nachträglich installiertem DIY-Wärmetausher (separates Projekt - Anregung von hier. http://privatprojekte.de/kaminofen/waermetauscher.html) , der ca. 30....40% der max. 7kW Ofenleistung in den Wasserkreislauf speisen kann. Dessen Regelung läuft komplett autark auf einem AVR-Controller, der eine Pumpeneinheit steuert (mit 12V-DC-USV gegen Stromausfall abgesichert).
Es werden in Summe also 3 unabhängige Wärmeerzeuger existieren, welche parallel auf einen 950 l-Pufferspeicher heizen können.
=> https://efg.de/speedpower3/schichtspeicher/
Dass WW wird mittels Frischwasserstation gezapft, so dass keine Legionellenproblematik besteht. Dank guter Einschichtphysik des Speedpowerpuffers steht WW bereits nach nur 5 min Heizen an, auch wenn der Puffer zuvor komplett kalt (+20°C) war (>15 Jahre erfolgreich praktiziert).
Das (gebrauchte) Klima-AG arbeitet mit seinem Kältemittel (R410A) auf einen bauseits im Innenbereich eingebauten PWT, welcher die zuvor aus der Umgebungsluft eingesammelte und verdichtete Wärmeenergie an den Wasservorlauf des Puffers abgibt und diesen erwärmt.
Bei den Innenkomponenten arbeitet eine Umwälzpumpe, deren Drehzahl mit 0-10V-Signal steuerbar ist. Außerdem sind zwei 3-Wege-Mischer verbaut, welche sowohl RL-Temp.-Anhebung (=> WP ineffizienter bei WW) als auch einen inversen Betrieb zur Abtauung des AG erlauben.
### Hydraulik / Komponenten (innen) = Wasserseite ###
Meine ersten Gehversuche mit TAPPS2 von TA mit den 3 Wärmeerzeugern, 1x komplett FBHZ im EG+OG sowie FriWa: Hier 2 Fotos der hydraulischen Umsetzung 1x für Normalbetrieb (Heizen) und 1x für Abtaubetrieb AG und hier die zugehörigen Hydraulikschemata:
download/file.php?id=13828&mode=view
download/file.php?id=13827&mode=view
### Außengerät ###
Über dieses Wochenende erfolgte der Einbau der 2 Fundamente für das Außengerät "Mitsubishi PUHZ-RP35 VHA3". Mit Hilfe der top Dokumentationen wurden noch die DIP-Schalterstellungen auf dem Controllerboard des AG überprüft:
### Interface / Steuereinheit (innen) ###
Das AG wird mittels im Haus befindlichem Interface sowie einer vorgeschalteten individuellen Steuereinheit gesteuert. Hier eine Gesamtansicht. Rechts noch mit Bezeichnungen zu den einzelnen Funktionsbausteinen der individuellen Steuerung: 1. oben angeordnet: Mitsubishi-PAC-Interface zur Kopplung des AG
Verschaltung s. hier: viewtopic.php?p=68029#p68029
2. unten angeordnet: individueller Steuerrechner (hier RPi 3) mit UniPi_1.1-Platine
https://www.unipi.technology/products/u ... =unipi-1-1 Das UniPi-Board hat diverse 0/1-Ausgänge, die einerseits zum Schalten von
* Leistungsteil (AG) => spart bei Nichtbetrieb der WP enorm Standbyverbrauch, da nur noch RPi + UniPi laufen
* Umwälzpumpe
* 3W-Mischer oben (30s/90°) als Umschaltventil (Normalbetrieb/Abtaubetrieb)
* Low Noise Modus
und andererseits zum proportionalen Verstellen von Komponenten wie
* Vorgabe AG-Leistung an das Interface (0...10V) für einen PV-Überschuss-geführten Modus (Überschuss am EVU-Punkt)
* 3W-Mischer unten (15s / 90°) für RL-Anhebung bei WW-Bereitung (0...10V)
* Pumpendrehzahl als Option* für VL-Temp.-regelung (0...10V)
verwendet werden.
*...Pumpendrehzahl vorerst fest => nur unteren 3W-Mischer nutzen, später ggf. Mischerregelung gegen Drehzahlsteuerung der UP ersetzen
Des Weiteren hat das UniPi diverse Eingänge, um Zustände des AG über die Interface-Einheit abzufragen. Auch davon werden ein paar genutzt.
### Software ###
Dies ist der wichtigste Teil des Projektes - zumindest für mich, da ich softwaretechnisch nur minderbemittelt unterwegs bin.
UniPi stellt eine API namens EVOK zur Verfügung, mit der alle UniPi-Anschlüsse bedient werden können.
https://kb.unipi.technology/en:sw:02-apis:01-evok
https://www.unipi.technology/tutorial/evok-18
Auch die Analog Out-Erweiterungsplatine, die wegen > 1x AO (0...10V) verwendet wird, kann in der evok.conf leicht aktiviert werden. Zu guter letzt lassen sich auch noch jede Menge 1-wire-Temeperatursensoren (DS18B20) auf dem 1-wire-Bus auslesen.
EVOK läuft als Service auf dem RPi und wird hier bei mir wie folgt aufgerufen: http://IP-des-RPi:8181/ (Der Port musste wegen Kollision mit anderem Programm auf 8181 in der evok.conf geändert werden.)
Das Ergebnis sieht dann so aus:
Jetzt kommt das Highlight. UniPi bietet auch 2 "UniPi-Nodes", welche in Node-Red eingebunden werden können. Diese nutzen die o.g. EVOK-API und laufen mit websockets.
https://kb.unipi.technology/en:sw:03-3rd-party:nodered
https://kb.unipi.technology/en:sw:03-3r ... on-unipi11
Hier ein um Temp.-sensoren und AO-Outputs angepasster Flow für die spätere Nutzung der WP: und hier dessen screenshot Das Dashboard liefert diesen screen: Ziel
Mit o.g. Softwarebausteinen eine NR-basierte Regelung zu entwickeln, welche sowohl die direkt anzusteuernden Komponenten der Hydraulik (Pumpe, Mischer, etc.) als auch die indirekt über das PAC-Interface angeschlossene Außeneinheit bedient.
Hierzu werde ich kurzfristig ein paar Struktogramme erarbeiten, welche überschaubar als einzelne Regelungsmodule aufgebaut sein sollen. Zum Schluss sollen diese leicht verknüpfbar zu einer guten Gesamtregelung verbunden werden. Das erscheint mir die beste Methode, um schnell zu einem erstmal lauffähigen System zu kommen, welches sukzessive optimiert werden kann.
Sollten insbsondere die Node-Red Spezialisten (Gero, Becker, rleidner, u.a.) Hinweise zum Projekt haben, wäre es gut, diese im anschließenden thread-Bereich zu diskutieren. Ich habe zwar schon ein paar Sachen in ähnlicher Form realisiert, aber erstens nicht mit NR und zweitens nicht in diesem Umfang.
Ich werde diesen ersten Post nutzen, um die Ergebnisse ab und an zusammenzufassen. Er wird also häufiger angepasst werden.
VG aiole
### Abkürzungsverzeichnis ###
WP...Wärmepumpe
UP...Umwälzpumpe (im Wasserkreislauf)
AG...Außengerät
WW...Warmwasser
VL...Vorlauf
RL...Rücklauf
KM...Kältemittel
WT...Wärmetauscher
PWT...Plattenwärmetauscher
UP...Umwälzpumpe
VSZ...Volumenstromzähler
SKB...Schwerkraftbremse
WW...Warmwasser
FriWa...Frischwasserstation (für legionellenfreie WW-Erzeugung)
AO... analog out (z.B. 0...10V-Signal)
PV...Photovoltaik
NR...Node-Red (freies, grafisches Programmiertool - eventbasiert)
PID...Proportional_Integral_Differential_Regler https://de.wikipedia.org/wiki/Regler#PID-Regler
TA...Technische Alternative (Reglerhersteller wie z.B. UVR1611, UVR16x2)
TAPPS2...freies, grafisches Programmiertool der TA für deren Regler
### allgemeine links zu Mitsubishi Electric WP und UVR1611/16x2-Ansteuerungen ###
https://www.haustechnikdialog.de/Forum/ ... an-Luft-WP
https://www.haustechnikdialog.de/Forum/ ... n-Zu-laut-
user -> sunday747: https://www.haustechnikdialog.de/Forum/ ... WP?page=12
So, da will ich mal. Zunächst ein Hinweis zum Abkürzungsverzeichnis, welches am Ende des Posts zu finden ist und wie der Post/Thread ständig erweitert wird.
Ihr könnt im thread munter darauf losschreiben, sofern es fachlich und konstruktiv zum Thema passt.
updates:
19.09.2022: Hydraulikschema ergänzt
11.09.2022: Bilder AG ergänzt
Die wichtigsten Dinge des Projektes werden immer hier im ersten Post zusammengefasst.
Da ich schon einige solcher "speziellen" Projekte, welche für viele Leute "böhmische Dörfer" sind, realisiert habe, kann ich aus Erfahrung sagen, dass eine Realisierung mit abschnittsweiser, stressfreier Bearbeitung und gemeinsam mit Interessierten gut möglich ist. Alle Beteiligten werden gegenseitig von Ideen und Erfahrungen profitieren, welche heute mehr denn je von Vorteil sind (Energiekrise).
Ziel dieses Projektes ist die Nutzung eines kleinen Mitsubishi Electric Klima-Außengerätes (PUHZ RP35 mit 2,2kg R410A-KM < 5to CO2-Äquivalent) als heizungs- und WW-unterstützender Wärmeerzeuger. Wir bauen daraus eine Luft-Wassser-Wärmepumpe.
Hinweis: Mitsubishi Electric (MEL) ist nicht mit Mitsubihi-Heavy zu verwechseln. Dies resultiert wohl aus einer Konzernzerschlagung nach dem 2. WK. Die Geräte sind im Normalfall inkompatibel !!!
Primär ist noch eine Gasbrennwerttherme vorhanden, welche zukünftig von März bis Oktober abgeschalten werden soll. Auch in den Wintermonaten soll diese nur noch an sehr kalten Tagen für die Spitzenlastabdeckung laufen.
Des Weiteren läuft noch ein Wodtke-Ego-Kaminofen mit nachträglich installiertem DIY-Wärmetausher (separates Projekt - Anregung von hier. http://privatprojekte.de/kaminofen/waermetauscher.html) , der ca. 30....40% der max. 7kW Ofenleistung in den Wasserkreislauf speisen kann. Dessen Regelung läuft komplett autark auf einem AVR-Controller, der eine Pumpeneinheit steuert (mit 12V-DC-USV gegen Stromausfall abgesichert).
Es werden in Summe also 3 unabhängige Wärmeerzeuger existieren, welche parallel auf einen 950 l-Pufferspeicher heizen können.
=> https://efg.de/speedpower3/schichtspeicher/
Dass WW wird mittels Frischwasserstation gezapft, so dass keine Legionellenproblematik besteht. Dank guter Einschichtphysik des Speedpowerpuffers steht WW bereits nach nur 5 min Heizen an, auch wenn der Puffer zuvor komplett kalt (+20°C) war (>15 Jahre erfolgreich praktiziert).
Das (gebrauchte) Klima-AG arbeitet mit seinem Kältemittel (R410A) auf einen bauseits im Innenbereich eingebauten PWT, welcher die zuvor aus der Umgebungsluft eingesammelte und verdichtete Wärmeenergie an den Wasservorlauf des Puffers abgibt und diesen erwärmt.
Bei den Innenkomponenten arbeitet eine Umwälzpumpe, deren Drehzahl mit 0-10V-Signal steuerbar ist. Außerdem sind zwei 3-Wege-Mischer verbaut, welche sowohl RL-Temp.-Anhebung (=> WP ineffizienter bei WW) als auch einen inversen Betrieb zur Abtauung des AG erlauben.
### Hydraulik / Komponenten (innen) = Wasserseite ###
Meine ersten Gehversuche mit TAPPS2 von TA mit den 3 Wärmeerzeugern, 1x komplett FBHZ im EG+OG sowie FriWa: Hier 2 Fotos der hydraulischen Umsetzung 1x für Normalbetrieb (Heizen) und 1x für Abtaubetrieb AG und hier die zugehörigen Hydraulikschemata:
download/file.php?id=13828&mode=view
download/file.php?id=13827&mode=view
### Außengerät ###
Über dieses Wochenende erfolgte der Einbau der 2 Fundamente für das Außengerät "Mitsubishi PUHZ-RP35 VHA3". Mit Hilfe der top Dokumentationen wurden noch die DIP-Schalterstellungen auf dem Controllerboard des AG überprüft:
### Interface / Steuereinheit (innen) ###
Das AG wird mittels im Haus befindlichem Interface sowie einer vorgeschalteten individuellen Steuereinheit gesteuert. Hier eine Gesamtansicht. Rechts noch mit Bezeichnungen zu den einzelnen Funktionsbausteinen der individuellen Steuerung: 1. oben angeordnet: Mitsubishi-PAC-Interface zur Kopplung des AG
Verschaltung s. hier: viewtopic.php?p=68029#p68029
2. unten angeordnet: individueller Steuerrechner (hier RPi 3) mit UniPi_1.1-Platine
https://www.unipi.technology/products/u ... =unipi-1-1 Das UniPi-Board hat diverse 0/1-Ausgänge, die einerseits zum Schalten von
* Leistungsteil (AG) => spart bei Nichtbetrieb der WP enorm Standbyverbrauch, da nur noch RPi + UniPi laufen
* Umwälzpumpe
* 3W-Mischer oben (30s/90°) als Umschaltventil (Normalbetrieb/Abtaubetrieb)
* Low Noise Modus
und andererseits zum proportionalen Verstellen von Komponenten wie
* Vorgabe AG-Leistung an das Interface (0...10V) für einen PV-Überschuss-geführten Modus (Überschuss am EVU-Punkt)
* 3W-Mischer unten (15s / 90°) für RL-Anhebung bei WW-Bereitung (0...10V)
* Pumpendrehzahl als Option* für VL-Temp.-regelung (0...10V)
verwendet werden.
*...Pumpendrehzahl vorerst fest => nur unteren 3W-Mischer nutzen, später ggf. Mischerregelung gegen Drehzahlsteuerung der UP ersetzen
Des Weiteren hat das UniPi diverse Eingänge, um Zustände des AG über die Interface-Einheit abzufragen. Auch davon werden ein paar genutzt.
### Software ###
Dies ist der wichtigste Teil des Projektes - zumindest für mich, da ich softwaretechnisch nur minderbemittelt unterwegs bin.
UniPi stellt eine API namens EVOK zur Verfügung, mit der alle UniPi-Anschlüsse bedient werden können.
https://kb.unipi.technology/en:sw:02-apis:01-evok
https://www.unipi.technology/tutorial/evok-18
Auch die Analog Out-Erweiterungsplatine, die wegen > 1x AO (0...10V) verwendet wird, kann in der evok.conf leicht aktiviert werden. Zu guter letzt lassen sich auch noch jede Menge 1-wire-Temeperatursensoren (DS18B20) auf dem 1-wire-Bus auslesen.
EVOK läuft als Service auf dem RPi und wird hier bei mir wie folgt aufgerufen: http://IP-des-RPi:8181/ (Der Port musste wegen Kollision mit anderem Programm auf 8181 in der evok.conf geändert werden.)
Das Ergebnis sieht dann so aus:
Jetzt kommt das Highlight. UniPi bietet auch 2 "UniPi-Nodes", welche in Node-Red eingebunden werden können. Diese nutzen die o.g. EVOK-API und laufen mit websockets.
https://kb.unipi.technology/en:sw:03-3rd-party:nodered
https://kb.unipi.technology/en:sw:03-3r ... on-unipi11
Hier ein um Temp.-sensoren und AO-Outputs angepasster Flow für die spätere Nutzung der WP: und hier dessen screenshot Das Dashboard liefert diesen screen: Ziel
Mit o.g. Softwarebausteinen eine NR-basierte Regelung zu entwickeln, welche sowohl die direkt anzusteuernden Komponenten der Hydraulik (Pumpe, Mischer, etc.) als auch die indirekt über das PAC-Interface angeschlossene Außeneinheit bedient.
Hierzu werde ich kurzfristig ein paar Struktogramme erarbeiten, welche überschaubar als einzelne Regelungsmodule aufgebaut sein sollen. Zum Schluss sollen diese leicht verknüpfbar zu einer guten Gesamtregelung verbunden werden. Das erscheint mir die beste Methode, um schnell zu einem erstmal lauffähigen System zu kommen, welches sukzessive optimiert werden kann.
Sollten insbsondere die Node-Red Spezialisten (Gero, Becker, rleidner, u.a.) Hinweise zum Projekt haben, wäre es gut, diese im anschließenden thread-Bereich zu diskutieren. Ich habe zwar schon ein paar Sachen in ähnlicher Form realisiert, aber erstens nicht mit NR und zweitens nicht in diesem Umfang.
Ich werde diesen ersten Post nutzen, um die Ergebnisse ab und an zusammenzufassen. Er wird also häufiger angepasst werden.
VG aiole
### Abkürzungsverzeichnis ###
WP...Wärmepumpe
UP...Umwälzpumpe (im Wasserkreislauf)
AG...Außengerät
WW...Warmwasser
VL...Vorlauf
RL...Rücklauf
KM...Kältemittel
WT...Wärmetauscher
PWT...Plattenwärmetauscher
UP...Umwälzpumpe
VSZ...Volumenstromzähler
SKB...Schwerkraftbremse
WW...Warmwasser
FriWa...Frischwasserstation (für legionellenfreie WW-Erzeugung)
AO... analog out (z.B. 0...10V-Signal)
PV...Photovoltaik
NR...Node-Red (freies, grafisches Programmiertool - eventbasiert)
PID...Proportional_Integral_Differential_Regler https://de.wikipedia.org/wiki/Regler#PID-Regler
TA...Technische Alternative (Reglerhersteller wie z.B. UVR1611, UVR16x2)
TAPPS2...freies, grafisches Programmiertool der TA für deren Regler
### allgemeine links zu Mitsubishi Electric WP und UVR1611/16x2-Ansteuerungen ###
https://www.haustechnikdialog.de/Forum/ ... an-Luft-WP
https://www.haustechnikdialog.de/Forum/ ... n-Zu-laut-
user -> sunday747: https://www.haustechnikdialog.de/Forum/ ... WP?page=12
-
aiole
- Beiträge: 8744
- Registriert: Mo Okt 08, 2018 4:51 pm
- Has thanked: 181 times
- Been thanked: 207 times
Re: Mitsubishi Klima als Luft-Wasser-WP
Ich bräuchte etwas Support beim brainstorming. Ich bin kein WP-Profi und kenne nur ein paar Grundregeln.
Für die o.g. WP, die nur im Heizmodus arbeitet (kein Kühlen) soll es 2 Hauptmodi geben:
a) Heizen (max. VL-Temp. ca. 38°C für komplett 150m2 FBHZ (davon nur ca. 65% genutzt) + 950l Puffer)
b) WW mit ca. 55°C VL-Temp. (ca. 150l oben im Puffer durch spezielle EFG-Einschichtung sichergestellt, Zapfung mit FriWa)
Zunächst soll ohne variable Verdichterleistung gearbeitet werden (also noch nicht PV-geführt mit 0-10V Steuersignal, sondern Steuerspann. vorerst fix).
Es gibt zwar 1-wire-Temp.-sensoren in jedem Raum, aber eine Einzelraumsteuerung hat sich über die letzten 15 Jahre als unnötig herausgestellt (gut gedämmtes EFH). Die inaktiven Heizkreise wurden manuell im FHBZ-Verteiler abgedreht (ca. 34% sind inaktiv).
zur WP-Arbeitweise
Allgemein bekannt ist, dass für hohe Effizienz mit geringer RL-Temp. in den PWT gegangen wird und am besten keine RL-Anhebung stattfindet. Diese wäre mit dem 3W-Mischer (unten) möglich, aber ich würde es nicht bei a) Heizen verwenden.
Außerdem werden bestimmte Volumenströme benötigt. Bei der kleinen PUHZ-35 sind es zw. 5 und 11,8 l/min lt. Datenblatt.
Am liebsten wäre mir also für
a) alle Mischer in der WP-Wasserseite zu öffnen und das Heizungswasser frei mit der UP auf FBHZ (wenn aktiv) oder Puffer arbeiten zu lassen. Da die Pumpe drehzahlmäßig mit 0-10V einstellbar ist, kann man damit zunächst einen passenden Drehzahlwert suchen und diesen fixieren.
Ein Volumenstromzähler ist im RL der WP-Wasserseite eingebaut (grün eingekreist - links neben der blauen UP). Dieser kann für Kontrollzwecke und als Regelgröße für den minimalen Volumenstrom herhalten. Die Frage ist, welche VL-Temp. dabei erzielbar ist. Schick wäre, wenn mit dem minimalen Volumenstrom von 5 l/min gleich die 35...38°C erreicht würden.
Bei ca. 25°C-RL-Temp. wäre max. delta T = +13 K und mit Q = c * m * delta T errechne ich 4.535 Watt (4186 Ws * 5 kg * 13 K/( kg * K * 60s).
Für die max. 4.1kW Heizleistung der RP35 ist das knapp zu viel, allerdings sollte die Pufferschichtung bei nur 5 l/min und Beschickung von oben auch nicht extrem gestört werden.
Z.B. 2 Volldurchläufe der 800 l Pufferheizwasser (950l gesamt - 150l WW) zu je nur 6,5 K Hub (erf. 4,5kW / 2 = 2,25 kW) lassen das Ganze entspannter erwärmen, brauchen jedoch auch 2x 2,67h = 5h20min. Die verbleibende Leistungsreserve von max 4,1 - 2,25kW = 1,85 kW kann schon für die Direktbeheizung der FBHZ genutzt werden.
Der EFG-Speedpower-Puffer hat oben eine spezielle Einlassvorrichtung, so dass sowohl heißes WW als auch lauwarmes Heizungswasser korrekt eingeschichtet wird (von oben). Dennoch möchte ich unnötig hohe Volumenströme im Wasserkreislauf vermeiden, da Durchmischungseffekte nicht ganz auszuschließen sind.
Soweit schlüssig bis hierher?
Freue mich auf feedback.
WW-Erzeugung dann im nächsten Schritt.
ps
Hat wer schon eine Mischerregelung selbst programmiert? Programmiersprache egal - ein Struktogramm oder eine Beschreibung würde helfen.
Für die o.g. WP, die nur im Heizmodus arbeitet (kein Kühlen) soll es 2 Hauptmodi geben:
a) Heizen (max. VL-Temp. ca. 38°C für komplett 150m2 FBHZ (davon nur ca. 65% genutzt) + 950l Puffer)
b) WW mit ca. 55°C VL-Temp. (ca. 150l oben im Puffer durch spezielle EFG-Einschichtung sichergestellt, Zapfung mit FriWa)
Zunächst soll ohne variable Verdichterleistung gearbeitet werden (also noch nicht PV-geführt mit 0-10V Steuersignal, sondern Steuerspann. vorerst fix).
Es gibt zwar 1-wire-Temp.-sensoren in jedem Raum, aber eine Einzelraumsteuerung hat sich über die letzten 15 Jahre als unnötig herausgestellt (gut gedämmtes EFH). Die inaktiven Heizkreise wurden manuell im FHBZ-Verteiler abgedreht (ca. 34% sind inaktiv).
zur WP-Arbeitweise
Allgemein bekannt ist, dass für hohe Effizienz mit geringer RL-Temp. in den PWT gegangen wird und am besten keine RL-Anhebung stattfindet. Diese wäre mit dem 3W-Mischer (unten) möglich, aber ich würde es nicht bei a) Heizen verwenden.
Außerdem werden bestimmte Volumenströme benötigt. Bei der kleinen PUHZ-35 sind es zw. 5 und 11,8 l/min lt. Datenblatt.
Am liebsten wäre mir also für
a) alle Mischer in der WP-Wasserseite zu öffnen und das Heizungswasser frei mit der UP auf FBHZ (wenn aktiv) oder Puffer arbeiten zu lassen. Da die Pumpe drehzahlmäßig mit 0-10V einstellbar ist, kann man damit zunächst einen passenden Drehzahlwert suchen und diesen fixieren.
Ein Volumenstromzähler ist im RL der WP-Wasserseite eingebaut (grün eingekreist - links neben der blauen UP). Dieser kann für Kontrollzwecke und als Regelgröße für den minimalen Volumenstrom herhalten. Die Frage ist, welche VL-Temp. dabei erzielbar ist. Schick wäre, wenn mit dem minimalen Volumenstrom von 5 l/min gleich die 35...38°C erreicht würden.
Bei ca. 25°C-RL-Temp. wäre max. delta T = +13 K und mit Q = c * m * delta T errechne ich 4.535 Watt (4186 Ws * 5 kg * 13 K/( kg * K * 60s).
Für die max. 4.1kW Heizleistung der RP35 ist das knapp zu viel, allerdings sollte die Pufferschichtung bei nur 5 l/min und Beschickung von oben auch nicht extrem gestört werden.
Z.B. 2 Volldurchläufe der 800 l Pufferheizwasser (950l gesamt - 150l WW) zu je nur 6,5 K Hub (erf. 4,5kW / 2 = 2,25 kW) lassen das Ganze entspannter erwärmen, brauchen jedoch auch 2x 2,67h = 5h20min. Die verbleibende Leistungsreserve von max 4,1 - 2,25kW = 1,85 kW kann schon für die Direktbeheizung der FBHZ genutzt werden.
Der EFG-Speedpower-Puffer hat oben eine spezielle Einlassvorrichtung, so dass sowohl heißes WW als auch lauwarmes Heizungswasser korrekt eingeschichtet wird (von oben). Dennoch möchte ich unnötig hohe Volumenströme im Wasserkreislauf vermeiden, da Durchmischungseffekte nicht ganz auszuschließen sind.
Soweit schlüssig bis hierher?
Freue mich auf feedback.
WW-Erzeugung dann im nächsten Schritt.
ps
Hat wer schon eine Mischerregelung selbst programmiert? Programmiersprache egal - ein Struktogramm oder eine Beschreibung würde helfen.
-
Gero
- Beiträge: 4812
- Registriert: Sa Feb 20, 2021 9:55 am
- Has thanked: 58 times
- Been thanked: 310 times
Re: Mitsubishi Klima als Luft-Wasser-WP
Programmiert habe ich einen Mischer noch nicht, weiss aber aus der TA-Welt, dass da zwei Ausgänge miteinander versxhaltet werden müssen. Der eine macht dann wohl die Richtung und der ander gibt den Strom? Oder ist der eine Ausgang aufmachen und der ander zumachen? Es wird permanent nachgeregelt, am Mischerausgang muss ein Temperaturfühler sein.
openWB-pro+, openWB-Buchse, E3/DC S10pro+19.5kWh, 30kWp Ost-Süd, Model 3 und Ion
-
aiole
- Beiträge: 8744
- Registriert: Mo Okt 08, 2018 4:51 pm
- Has thanked: 181 times
- Been thanked: 207 times
Re: Mitsubishi Klima als Luft-Wasser-WP
Ok, das passt für die 230V-Mischer. Die haben immer ON/OFF je Richtung.
Das müsste mit dem 0-10V-Mischer einfacher werden. Der steht immer unter 24V und wird automatisch bei Änderung der 0-10V nachgeführt.
T-Sensor am VL nehme ich an?
Für WW, wo RL-Anhebung sicher sein muss, würde ich noch einen T-Sensor an den gemischten RL klemmen.
Das müsste mit dem 0-10V-Mischer einfacher werden. Der steht immer unter 24V und wird automatisch bei Änderung der 0-10V nachgeführt.
T-Sensor am VL nehme ich an?
Für WW, wo RL-Anhebung sicher sein muss, würde ich noch einen T-Sensor an den gemischten RL klemmen.
-
Gero
- Beiträge: 4812
- Registriert: Sa Feb 20, 2021 9:55 am
- Has thanked: 58 times
- Been thanked: 310 times
Re: Mitsubishi Klima als Luft-Wasser-WP
Ah, stimmt ja. Wir sind ja hier bei 0-10V. Dann wird bei 0 wahrscheinlich der Mischer gesxhlossen sein und bei 10V komplett offen.
Den Temp-Fühler würde ich an die Stelle setzen, wo man den Regeleffekt am schnellsten merkt. Also am Ausgang des Mischers. (Ich tue mich mit VL und RL immer ein bisschen schwer)
Vom Algorithmus her gibt es ja eine Ziel- und eine Ist-Temperatur. Wenn Ziel-Temp kleiner als Ist-Temp, ein bisschen die Ausgangs-Spannung erhöhen, aonst verringern. (Oder anders herum) Das Knifflige ist nun die Hysterese herauszubekommen und ein passendes Regelintervall.
Den Temp-Fühler würde ich an die Stelle setzen, wo man den Regeleffekt am schnellsten merkt. Also am Ausgang des Mischers. (Ich tue mich mit VL und RL immer ein bisschen schwer)
Vom Algorithmus her gibt es ja eine Ziel- und eine Ist-Temperatur. Wenn Ziel-Temp kleiner als Ist-Temp, ein bisschen die Ausgangs-Spannung erhöhen, aonst verringern. (Oder anders herum) Das Knifflige ist nun die Hysterese herauszubekommen und ein passendes Regelintervall.
openWB-pro+, openWB-Buchse, E3/DC S10pro+19.5kWh, 30kWp Ost-Süd, Model 3 und Ion
-
aiole
- Beiträge: 8744
- Registriert: Mo Okt 08, 2018 4:51 pm
- Has thanked: 181 times
- Been thanked: 207 times
Re: Mitsubishi Klima als Luft-Wasser-WP
yupGero hat geschrieben: Fr Aug 19, 2022 6:37 am Ah, stimmt ja. Wir sind ja hier bei 0-10V. Dann wird bei 0 wahrscheinlich der Mischer gesxhlossen sein und bei 10V komplett offen.
für den Heizprozess (Heizen bzw. WW) => s. Angaben VL/RL links im Bild:Gero hat geschrieben: Fr Aug 19, 2022 6:37 am Den Temp-Fühler würde ich an die Stelle setzen, wo man den Regeleffekt am schnellsten merkt. Also am Ausgang des Mischers. (Ich tue mich mit VL und RL immer ein bisschen schwer)
download/file.php?id=13342&mode=view
Unten sieht man dasselbe nochmal für den Absorberkaminofen.
In der Anlage unten sitzt der RL-Mischer (0-10V). Oben ist auch ein Mischer, der aber nur als spätere reine Umschaltoption für den Abtauprozess dienen soll (=> schnelle Bereitstellung von warmem Wasser, um das Kältemittel zu erhitzen, damit draußen das Eis zügig abschmilzt).
Beim normalen Heizprozess ist RL der Kaltwassereintritt in den PWT. Oben am PWT kommt der warme VL heraus, dessen Temp. man steuern möchte (Regelgröße).
Mischt man nun einen Teil des VL-Wassers dem RL zu, steigt auch die RL-Temp.. 2 T-Fühler sollten daher für die Regelung ausreichen:
1. oben: warmer VL => T_VL
2. nach dem Mischer: kalter bzw. mittels teilweiser VL-Beimischung => T_RL_mix
Ich würde die VL-Temp. als Regelgröße verwenden, um sicherzustellen, dass z.B. 38°C in den VL gehen. D.h., wenn man die UP-Drehzahl auf die minimalen 5 l/min fixiert, braucht man ev. nur minimal zumischen, um gleich die 38°C zu erzielen. Das spart Umwälzung/reduziert Durchmischung, aber es ist eben weniger effizient, als ein kompletter Entfall der RL-Anhebung gepaart mit etwas Umwälzen. Bei nur wenig Zumischerfordernis (normales Heizen) würde mich etwas Zumischen zwar nicht stören, aber weil Heizen mehr Energie als WW umsetzt, lohnt dafür m.E. kein extra Software-Mischerbaustein.
Bei WW-Erzeugung sieht das anders aus. Dort brauche ich ca. 50 °C. Die sind beim gegebenen Puffer am besten MIT RL-Anhebung zu realisieren. Ansonsten könnte die Schichtung zu stark leiden.
Heizen (ist wichtiger als WW) würde also mischerfrei erst einmal zeitnah lauffähig sein. WW dann später.
Ich hätte da gleich an einen fertigen PID-Regler gedacht, wofür NR etwas bereitstellt.Gero hat geschrieben: Fr Aug 19, 2022 6:37 am Vom Algorithmus her gibt es ja eine Ziel- und eine Ist-Temperatur. Wenn Ziel-Temp kleiner als Ist-Temp, ein bisschen die Ausgangs-Spannung erhöhen, aonst verringern. (Oder anders herum) Das Knifflige ist nun die Hysterese herauszubekommen und ein passendes Regelintervall.
Auswahl: https://flows.nodered.org/search?term=contrib-pid
vielversprechenster Node: https://flows.nodered.org/node/node-red-contrib-pid
sample: https://flows.nodered.org/flow/42f125b5 ... f8023263e9
+ Beschreibung: https://blog.clanlaw.org.uk/pid-loop-tuning.html
weiteres schönes Bsp.:
https://flows.nodered.org/flow/987b13d0 ... facad33e24
allgemeines zu PID:
https://tlk-energy.de/blog/pid-regler-einstellen
https://wiki.ta.co.at/PID-Regelung_(Funktion)
ps
Für die Wärmemengen-Berechnung muss noch ein 3. T-Fühler am kalten RL rein - also RL-seitig betrachtet => vor dem Mischer => T_RL
Die Temp.-differenz von (T_VL minus T_RL) x Volumenstrom des RL entspricht dann der übertragenen Wärmeenergie pro Zeit (Leistung) in das Wasserheizsystem.
=> RL-Temp. x Volumenstrom = Wärmeenergie pro Zeit = Wärmeleistung
-
aiole
- Beiträge: 8744
- Registriert: Mo Okt 08, 2018 4:51 pm
- Has thanked: 181 times
- Been thanked: 207 times
Re: Mitsubishi Klima als Luft-Wasser-WP
weiter geht's:
Hier das Schema zur Auswahl des passenden Interface-Moduls. Im Gegensatz zu gebräuchlichen WP-Temp.-Reglern (bei Mitsubishi: FTC oder FTC2 benannt) kann das nackte Interface-Modul direkt mit Sollvorgaben beschickt werden. Das ist ein bisschen so wie Assembler (man kann ALLES machen, aber man muss es SELBST erledigen
).
Die grün markierte Fernabfrage wird mittels einer normalerweise als Fernbedienung genutzten Einheit realisiert (PAR-21MAA). Damit lassen sich etliche Parameter des Außengerätes auf das FB-Display holen (hilfreich für Tests/Prüfung Funktion).
Hier das Schema zur Auswahl des passenden Interface-Moduls. Im Gegensatz zu gebräuchlichen WP-Temp.-Reglern (bei Mitsubishi: FTC oder FTC2 benannt) kann das nackte Interface-Modul direkt mit Sollvorgaben beschickt werden. Das ist ein bisschen so wie Assembler (man kann ALLES machen, aber man muss es SELBST erledigen
Die grün markierte Fernabfrage wird mittels einer normalerweise als Fernbedienung genutzten Einheit realisiert (PAR-21MAA). Damit lassen sich etliche Parameter des Außengerätes auf das FB-Display holen (hilfreich für Tests/Prüfung Funktion).
-
aiole
- Beiträge: 8744
- Registriert: Mo Okt 08, 2018 4:51 pm
- Has thanked: 181 times
- Been thanked: 207 times
Re: Mitsubishi Klima als Luft-Wasser-WP
Die innenseitige Hydraulik mit Umwälzpumpe (UP) und Plattenwärmetauscher (PWT) wird in Anlehnung an die Mitsubishi-Hydromodule realsiert. Allerdings gibt es hier bei mir noch die Option der Rücklaufanhebung und VL/RL-Wechsel, um einen Abtauvorgang des Außengerätes (AG) zu unterstützen. Dafür gibt es hier keinen Heizstab im AG.
Wenn ich mir das Schema eines originalen Mitsubishi-Hydromoduls ansehe, fehlen dort die letzten beiden Optionen. Dafür ist ein Umschaltventil für einen WW-Speicher enthalten. Die Abtauenergie scheint bei Mitsu nur aus dem (kalten) RL entnommen zu werden. Deshalb gibt es auch ein Diagramm mit Mindesttemp. und zugehörigem Mindestdurchflussvolumenstrom beim RL.
Ich würde das gern optimierter gestalten und statt (kaltem) RL den (warmen) VL auf das Kältemittel (KM) geben, um schnellstmögliche Abtauung im AG zu erreichen. Das Abtauende sollte mit den Temp.sensoren am AG per se erkannt werden. Ein weiterer Vorteil wäre, dass ein (kalter) RL nicht noch weiter abgekühlt wird und anschließend oben im warmen Pufferbereich landet.
Der Abtauvorgang wird mittels Steuersignal vom AG bzw. Interface sauber in NodeRed detektiert. Dementsprechend können der 3WM und das Umschaltventil passend angesteuert werden (VL/RL-Tausch).
Gibt's Einwände?
Wenn ich mir das Schema eines originalen Mitsubishi-Hydromoduls ansehe, fehlen dort die letzten beiden Optionen. Dafür ist ein Umschaltventil für einen WW-Speicher enthalten. Die Abtauenergie scheint bei Mitsu nur aus dem (kalten) RL entnommen zu werden. Deshalb gibt es auch ein Diagramm mit Mindesttemp. und zugehörigem Mindestdurchflussvolumenstrom beim RL.
Ich würde das gern optimierter gestalten und statt (kaltem) RL den (warmen) VL auf das Kältemittel (KM) geben, um schnellstmögliche Abtauung im AG zu erreichen. Das Abtauende sollte mit den Temp.sensoren am AG per se erkannt werden. Ein weiterer Vorteil wäre, dass ein (kalter) RL nicht noch weiter abgekühlt wird und anschließend oben im warmen Pufferbereich landet.
Der Abtauvorgang wird mittels Steuersignal vom AG bzw. Interface sauber in NodeRed detektiert. Dementsprechend können der 3WM und das Umschaltventil passend angesteuert werden (VL/RL-Tausch).
Gibt's Einwände?
-
aiole
- Beiträge: 8744
- Registriert: Mo Okt 08, 2018 4:51 pm
- Has thanked: 181 times
- Been thanked: 207 times
Re: Mitsubishi Klima als Luft-Wasser-WP
neue Fotos vom Außengerät ergänzt
download/file.php?id=13726&mode=view
download/file.php?id=13726&mode=view
-
aiole
- Beiträge: 8744
- Registriert: Mo Okt 08, 2018 4:51 pm
- Has thanked: 181 times
- Been thanked: 207 times
Re: Mitsubishi Klima als Luft-Wasser-WP
kurzes update
Wie erahnt, ist die Steuerung der WP mittels Node-Red nicht ganz trivial. Die Ansteuerhardware (UniPi) bietet zwar so ziemlich alles, was auch die bekannten UVR 1611/16x2 Regler der Fa. "Technischen Alternative" (TA) bieten und das sogar noch ein bisschen umfangreicher (1-wire-Temp.-sensoren über BUS-System statt einzelne PT1000, kompromisslos integrierte LAN-Anbindung statt CMI usw.), aber in NR fehlen natürlich die vorgefertigten, heizungsspezifischen Funktionsbausteine der TA, welche das eigentliche know how für eine gute WP-Regelung darstellen.
Ich besitze keine UVR, habe aber schon etliches gelesen. Ich bin nun am überlegen, TAPPS2 - das kostenfreie, grafische Programmiertool von TA, zu nutzen, um dort grundlegende Funktionsblöcke mit den genutzten Komponenten (Pumpe, Mischer usw.) zügig darstellen zu können. Anhand der Block-Parameter ließen sich auch Rückschlüsse für die endgültige NR-Programmierung finden.
Um schnell zu einem erst einmal lauffähigen NR-Flow zu kommen, würde ich die TA-Blöcke zunächst minimal halten und später erweitern.
Was ich nun suche, sind TA-Funktionsblöcke oder Schemata zu WP, die als Vorlage oder zu Vergleichszwecken taugen. Hat der wer etwas im Angebot?
Im HTD sind ein paar Nutzer, die ich auch noch anfragen könnte. sunday747 kennt sich wohl recht gut damit aus.
https://www.haustechnikdialog.de/Forum/ ... ut-?page=2
https://www.haustechnikdialog.de/Forum/ ... WP?page=12
Gibt's noch etwas im PV-Forum?
VG
Wie erahnt, ist die Steuerung der WP mittels Node-Red nicht ganz trivial. Die Ansteuerhardware (UniPi) bietet zwar so ziemlich alles, was auch die bekannten UVR 1611/16x2 Regler der Fa. "Technischen Alternative" (TA) bieten und das sogar noch ein bisschen umfangreicher (1-wire-Temp.-sensoren über BUS-System statt einzelne PT1000, kompromisslos integrierte LAN-Anbindung statt CMI usw.), aber in NR fehlen natürlich die vorgefertigten, heizungsspezifischen Funktionsbausteine der TA, welche das eigentliche know how für eine gute WP-Regelung darstellen.
Ich besitze keine UVR, habe aber schon etliches gelesen. Ich bin nun am überlegen, TAPPS2 - das kostenfreie, grafische Programmiertool von TA, zu nutzen, um dort grundlegende Funktionsblöcke mit den genutzten Komponenten (Pumpe, Mischer usw.) zügig darstellen zu können. Anhand der Block-Parameter ließen sich auch Rückschlüsse für die endgültige NR-Programmierung finden.
Um schnell zu einem erst einmal lauffähigen NR-Flow zu kommen, würde ich die TA-Blöcke zunächst minimal halten und später erweitern.
Was ich nun suche, sind TA-Funktionsblöcke oder Schemata zu WP, die als Vorlage oder zu Vergleichszwecken taugen. Hat der wer etwas im Angebot?
Im HTD sind ein paar Nutzer, die ich auch noch anfragen könnte. sunday747 kennt sich wohl recht gut damit aus.
https://www.haustechnikdialog.de/Forum/ ... ut-?page=2
https://www.haustechnikdialog.de/Forum/ ... WP?page=12
Gibt's noch etwas im PV-Forum?
VG