Konfiguration und Struktur korrekt?
Re: Konfiguration und Struktur korrekt?
Danke, aber alle in dem Post genannten Angaben, die ich beantworten konnte, stehen deswegen gleich im ersten Beitrag dieses Themas.
Logauszug mit den aktuellen Einstellungen und aktivem PV-Laden läuft noch.
Logauszug mit den aktuellen Einstellungen und aktivem PV-Laden läuft noch.
openWB series2 standard+, PV ohne Speicher
-
aiole
- Beiträge: 8981
- Registriert: Mo Okt 08, 2018 4:51 pm
- Has thanked: 241 times
- Been thanked: 257 times
Re: Konfiguration und Struktur korrekt?
Bringt hier nichts, da völlig festgefahren. Danke für deinen Einsatz. Der Rest muss beim Fragesteller reifen.ChristophR hat geschrieben: Sa Feb 01, 2025 1:14 pm Mein letzter Tipp für Dich, den Rest kriegen wir nicht sinnvoll geklärt:
viewtopic.php?t=1526
Re: Konfiguration und Struktur korrekt?
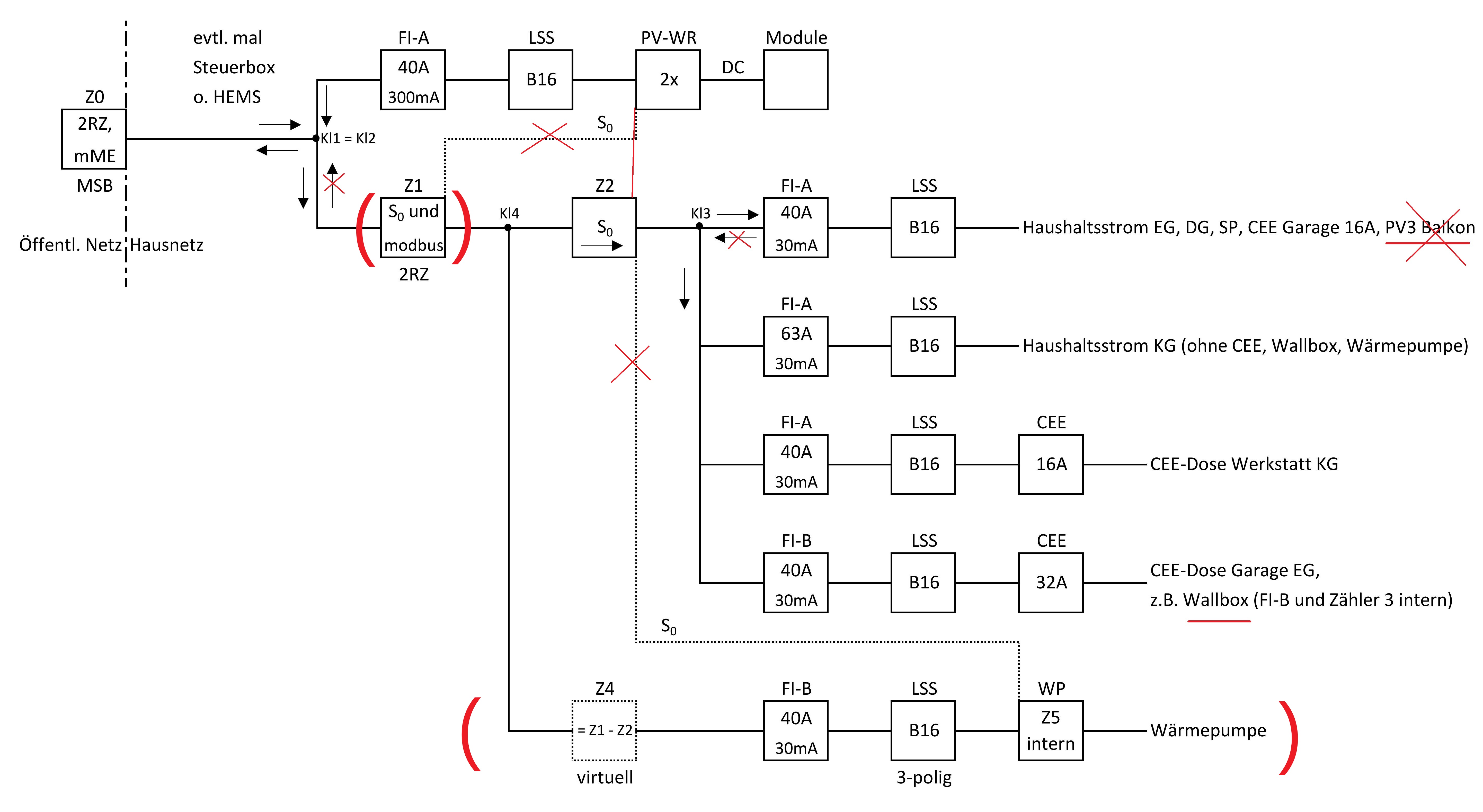
Ich fasse mal die Gegebenheiten zusammen:
- WR und S0-Zähler sind in einem Gerät angelegt
- Die Struktur ist so wie sie sein soll
- Hausverbrauch wird von openWB berechnet
- PV3 ist nicht in Betrieb
- Der S0-Zähler Z1 liefert per Zweidrahtleitung m.E. korrekt den Hausverbrauch an den WR. Die Impulswerte sind im WR richtig eingestellt und die angezeigte Hausverbrauchswerte im WR-Portal sind - wenn nicht geladen wird - plausibel, d.h. passen zum Ein-/Ausschalten von Geräten mit abschätzbarem Verbrauch, z.B. Wasserkocher, PVmin-Laden mit 4kW o.ä. Insofern dürfte der Fronius-WR damit richtig umgehen.
- Wenn PV3 außer Betrieb ist, ist es irrelevant, ob Z1 ein Zweirichtungszähler ist oder nicht, da Energiefluss für den Hausverbrauch so nur in eine Richtung stattfindet. Siehe auch Bild tb2.jpg unten.
- Die WP läuft im Beobachtungszeitraum konstant und ohne Einfluß PV-Überschuß o.ä.
==> Die oWB zeigt eine unrichtige Größenordnung und Sprünge beim Hausverbrauch (schwarze Linie), aber nur während des Ladens.
Ich habe mal den Log erfasst und die das Diagramm ab Ladebeginn 15:00Uhr mit PV-Laden, 15:05Uhr Umschalten auf Sofortladen bis Abschalten des Ladens um 15:10Uhr beigefügt. Bei beiden Ladevarianten springt der Hausverbrauch zw. 0 und ca. 1,5kW, was aufgrund der Verbräuche im Haus nicht sein kann. Die WP alleine hat schon 535W aktuell und 1,5kW ist viel zu hoch. Beim PV-Laden schwankt entsprechend auch die Ladeleistung (blaue Linie).
Nach dem Laden stimmen die oWB-Anzeigen wieder: Der angezeigte Hausverbrauch ist bei 650W (die WP braucht gerade 535W, der Rest ist Standby-Hausverbrauch) und die angezeigte Einspeisung = PV-Prod. - Hausverbrauch.
- WR und S0-Zähler sind in einem Gerät angelegt
- Die Struktur ist so wie sie sein soll
- Hausverbrauch wird von openWB berechnet
- PV3 ist nicht in Betrieb
- Der S0-Zähler Z1 liefert per Zweidrahtleitung m.E. korrekt den Hausverbrauch an den WR. Die Impulswerte sind im WR richtig eingestellt und die angezeigte Hausverbrauchswerte im WR-Portal sind - wenn nicht geladen wird - plausibel, d.h. passen zum Ein-/Ausschalten von Geräten mit abschätzbarem Verbrauch, z.B. Wasserkocher, PVmin-Laden mit 4kW o.ä. Insofern dürfte der Fronius-WR damit richtig umgehen.
- Wenn PV3 außer Betrieb ist, ist es irrelevant, ob Z1 ein Zweirichtungszähler ist oder nicht, da Energiefluss für den Hausverbrauch so nur in eine Richtung stattfindet. Siehe auch Bild tb2.jpg unten.
- Die WP läuft im Beobachtungszeitraum konstant und ohne Einfluß PV-Überschuß o.ä.
==> Die oWB zeigt eine unrichtige Größenordnung und Sprünge beim Hausverbrauch (schwarze Linie), aber nur während des Ladens.
Ich habe mal den Log erfasst und die das Diagramm ab Ladebeginn 15:00Uhr mit PV-Laden, 15:05Uhr Umschalten auf Sofortladen bis Abschalten des Ladens um 15:10Uhr beigefügt. Bei beiden Ladevarianten springt der Hausverbrauch zw. 0 und ca. 1,5kW, was aufgrund der Verbräuche im Haus nicht sein kann. Die WP alleine hat schon 535W aktuell und 1,5kW ist viel zu hoch. Beim PV-Laden schwankt entsprechend auch die Ladeleistung (blaue Linie).
Nach dem Laden stimmen die oWB-Anzeigen wieder: Der angezeigte Hausverbrauch ist bei 650W (die WP braucht gerade 535W, der Rest ist Standby-Hausverbrauch) und die angezeigte Einspeisung = PV-Prod. - Hausverbrauch.
- Dateianhänge
-
- Mainlog 2025-02-01.txt
- (47.83 KiB) 75-mal heruntergeladen
-
- Laden 2025-02-01 d.jpg (16.85 KiB) 5083 mal betrachtet
-
- t2b.jpg
- (927.18 KiB) Noch nie heruntergeladen
openWB series2 standard+, PV ohne Speicher
Re: Konfiguration und Struktur korrekt?
Bei der Diagramm-Auswertung stimmt auch etwas nicht. Es fehlt z.B. die PV-Produktion komplett.
- Dateianhänge
-
- DiaAusw 2025-02-01.jpg (95.88 KiB) 2586 mal betrachtet
openWB series2 standard+, PV ohne Speicher
-
rleidner
- Beiträge: 1535
- Registriert: Mo Nov 02, 2020 9:50 am
- Has thanked: 101 times
- Been thanked: 200 times
Re: Konfiguration und Struktur korrekt?
Click mal auf den durchgestrichenen WRkrebs8 hat geschrieben: Sa Feb 01, 2025 4:25 pm Bei der Diagramm-Auswertung stimmt auch etwas nicht. Es fehlt z.B. die PV-Produktion komplett.
openWB-2 Standard+ | openWB EVU Kit v2 MID| 9,9kWp mit Kostal Plenticore 8.5 plus | VW ID.3, Kia EV6, Smart EQ forfour
Re: Konfiguration und Struktur korrekt?
So, um alles mögliche zu eliminieren, habe ich die S0-Leitung vom Z1 abgenommen und an Z2 angeschlossen (s. t2c.jpg), so wird die WP nicht mitgezählt. Impulse im WR angepasst. PV3 ist aus. Die Struktur ist wie zuletzt, also ohne Virtuellen Zähler. WR und S0-Z. in 1 Gerät. oWB berechnet Hausverbrauch. Gleichm. Hausverbrauch und PV-Leistung bei blauem Himmel.
Ergebnis:
Wenn nicht geladen wird, passen die Werte der oWB, zueinander und auch zum Zählerdisplay. Auch die Werte im WR bzw. v. versch. Apps passen dazu. Die Apps bekommen ihre Werte (PV-Prod., Einsp./Netzbezug, Hausverbrauch) vom WR genauso wie die oWB ja auch über das Netzwerk.
Wenn geladen wird springt der Hausverbrauch immer wieder auf und ab und zeigt dabei auch falsche Werte an. (auch wenn S0-Z. den Hausv. berechnet)
Vielleicht springt ja auch die Einspeisung/der Netzbezug und dadurch der berechnete Hausverbrauch.
Da es bei dem Aufbau keine WP und kein PV3 gibt und wieder der alte S0-Z. verwendet wird, d.h. alles entspricht der früheren Konfiguration, kann es m.E. nur am Laden liegen, also den Anzeigen/Einstellungen/Regelung der oWB, dass einige der angezeigten oWB-Werte immer noch falsch sind und springen.
Ergebnis:
Wenn nicht geladen wird, passen die Werte der oWB, zueinander und auch zum Zählerdisplay. Auch die Werte im WR bzw. v. versch. Apps passen dazu. Die Apps bekommen ihre Werte (PV-Prod., Einsp./Netzbezug, Hausverbrauch) vom WR genauso wie die oWB ja auch über das Netzwerk.
Wenn geladen wird springt der Hausverbrauch immer wieder auf und ab und zeigt dabei auch falsche Werte an. (auch wenn S0-Z. den Hausv. berechnet)
Vielleicht springt ja auch die Einspeisung/der Netzbezug und dadurch der berechnete Hausverbrauch.
Da es bei dem Aufbau keine WP und kein PV3 gibt und wieder der alte S0-Z. verwendet wird, d.h. alles entspricht der früheren Konfiguration, kann es m.E. nur am Laden liegen, also den Anzeigen/Einstellungen/Regelung der oWB, dass einige der angezeigten oWB-Werte immer noch falsch sind und springen.
- Dateianhänge
-
- Konfig.jpg (381.51 KiB) 2586 mal betrachtet
-
- t2c.jpg
- (961.26 KiB) Noch nie heruntergeladen
-
- oWB 2025-02-02 b.jpg (234.85 KiB) 2586 mal betrachtet
openWB series2 standard+, PV ohne Speicher
Re: Konfiguration und Struktur korrekt?
Ergänzung:
Mit Hausverbrauch ist bei WR und Zähler natürlich der gesamte H. inkl. Laden gemeint, bei der oWB nur der restliche H. ohne Ladeleistung.
Falsche Werte und Springen beim Hausverbrauch bzw. Einspeisung/Netzbezug liegt bei PV-Laden und gleichmäßigem Sofortladen vor.
Mit Hausverbrauch ist bei WR und Zähler natürlich der gesamte H. inkl. Laden gemeint, bei der oWB nur der restliche H. ohne Ladeleistung.
Falsche Werte und Springen beim Hausverbrauch bzw. Einspeisung/Netzbezug liegt bei PV-Laden und gleichmäßigem Sofortladen vor.
openWB series2 standard+, PV ohne Speicher
Re: Konfiguration und Struktur korrekt?
Das heisst, das ist so normal wie es bei mir aussieht?
Einen großen Lastsprung gibt es hier bei gleichmäßigem Hausverbrauch und Sofortladen aber doch gar nicht.
Und mit einem Smartmeter im EVU-Punkt wäre es besser, da schneller als ein S0-Zähler oder wäre das ähnlich?
Einen großen Lastsprung gibt es hier bei gleichmäßigem Hausverbrauch und Sofortladen aber doch gar nicht.
Und mit einem Smartmeter im EVU-Punkt wäre es besser, da schneller als ein S0-Zähler oder wäre das ähnlich?
openWB series2 standard+, PV ohne Speicher
-
Elchkopp
- Beiträge: 918
- Registriert: Fr Feb 04, 2022 6:19 pm
- Has thanked: 26 times
- Been thanked: 76 times
Re: Konfiguration und Struktur korrekt?
Hattet ihr schon das Thema eines möglicherweise defekten Stromzählers in der oWB an- oder durchgesprochen? Kann ja in Kombination mit einem anderen Fehler auftreten (also muss nicht die alleinige Ursache sein, aber ein Faktor).