Hallo,
ich lese hier schon eine ganze weile mit und möchte mich gerne beteiligen. Ich habe zwei Fahrzeuge, die nur einphasig laden können. Dennoch möchte ich meine Infrastruktur zuhause zukunftssicher 3-phasig mit jeweils 32 A auslegen. Das bedeutet, ich werde zwei 22kW-Ladepunkte installieren.
Ich sehe es richtig, dass beim 1-phasigen Laden nur L1 mit dem Auto verbunden wird und beim 3-phasig Laden dann L2 & L3 hinzugeschaltet werden?
Wenn ich jetzt mit beiden Fahrzeugen auf L1 lade, bekomme ich dann nicht eine unnötige Schieflast?
Jetzt jedoch einfach die Phasen zu vertauschen ist sicher auch keine Lösung, weil sich dann die Drehrichtung ändert und das Auto damit sicher nicht klarkommt. Habt ihr euch damit schonmal beschäftigt?
Vielen Dank und liebe Grüsse
Timo
Schieflast bei mehreren Ladepunkten
-
openWB
- Site Admin
- Beiträge: 10231
- Registriert: So Okt 07, 2018 1:50 pm
- Has thanked: 166 times
- Been thanked: 392 times
Re: Schieflast bei mehreren Ladepunkten
Doch ...Jetzt jedoch einfach die Phasen zu vertauschen ist sicher auch keine Lösung,
Ladepunkt 1:
L1 = L1
L2 = L2
L3 = L3
Ladepunkt 2:
L1 = L2
L2 = L3
L3 = L1
Ersteres meint Eingang Ladepunkt, zweiteres "Netz".
Die Verdrehung hat am Eingang zu erfolgen!
Supportanfragen bitte NICHT per PN stellen.
Hardwareprobleme bitte über die Funktion Debug Daten senden mitteilen oder per Mail an support@openwb.de
Hardwareprobleme bitte über die Funktion Debug Daten senden mitteilen oder per Mail an support@openwb.de
-
Jarry
- Beiträge: 1603
- Registriert: Sa Nov 10, 2018 6:59 am
- Wohnort: Leverkusen
- Has thanked: 20 times
- Been thanked: 29 times
Re: Schieflast bei mehreren Ladepunkten
und das Drehfeld ist dem Auto egal .... also zumindest beim Laden 
Aber wenn du die Phasen einfach nur weiter rotierst isses immer noch genauso wie vorher
Aber wenn du die Phasen einfach nur weiter rotierst isses immer noch genauso wie vorher
Aktuelles Setup:
openWB 2.x
2x openWB pro
PV:
SolarEdge SE9K mit SolarLog 380Mod am EVU Punkt (nur noch fürs SE Portal genutzt)
2x MPPT 150/35 mit jeweils 1,2kWp
Speicher:
3x Multiplus 2 5000
Cerbo GX
EM540 (am Cerbo)
28,6kWh DIY Speicher
Re: Schieflast bei mehreren Ladepunkten
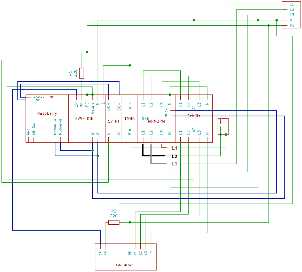
Das bedeutet hinter dem Leitungsschutzschalter und vor dem Stromzähler (MPM3PM)?openWBSupport hat geschrieben: Di Nov 10, 2020 12:52 pm Ersteres meint Eingang Ladepunkt, zweiteres "Netz".
Die Verdrehung hat am Eingang zu erfolgen!
Also so:
Was bedeutet das den für das Lastmanagement über das EVU-Kit bzw. dem solaredge Smart Meter am Hausanschluss? Wie weiss die Software von der Phasenvertauschung?
Toller Support! Danke.
Timo
-
openWB
- Site Admin
- Beiträge: 10231
- Registriert: So Okt 07, 2018 1:50 pm
- Has thanked: 166 times
- Been thanked: 392 times
Re: Schieflast bei mehreren Ladepunkten
Das ist egal. Relevant ist nur "das" eine Überlast da ist.
Supportanfragen bitte NICHT per PN stellen.
Hardwareprobleme bitte über die Funktion Debug Daten senden mitteilen oder per Mail an support@openwb.de
Hardwareprobleme bitte über die Funktion Debug Daten senden mitteilen oder per Mail an support@openwb.de
Re: Schieflast bei mehreren Ladepunkten
Sollte nicht gedrosselt werden, bevor eine Überlast da ist?
Wenn die Schwelle bei L2 erreicht ist, muss Ladepunkt 2 gedrosselt werden. Bei zu hohem Bezug auf L1 muss dann der Ladepunkt 1 runterfahren. Ist diese Logik berücksichtigt?
Es hängen an den drei Hausphasen ja noch mehr als nur die Wallboxen (z.B. Waschmaschinen, Trockner, Kühlschränke, etc. die alle jeweils nur einphasig sind und in ihrer Summe bereits Betriebsabhängig zu einer kleinen schiefen Grundauslastung führen können.)
Es hängen an den drei Hausphasen ja noch mehr als nur die Wallboxen (z.B. Waschmaschinen, Trockner, Kühlschränke, etc. die alle jeweils nur einphasig sind und in ihrer Summe bereits Betriebsabhängig zu einer kleinen schiefen Grundauslastung führen können.)
-
aiole
- Beiträge: 8982
- Registriert: Mo Okt 08, 2018 4:51 pm
- Has thanked: 241 times
- Been thanked: 257 times
Re: Schieflast bei mehreren Ladepunkten
Da ist kurzzeitig eine erhebliche Reserve bei den EVU-Sicherungen gegeben, weshalb das mit dem "Reagieren" der oWB im 10s-Regelintervall hervorragend funktioniert.